Equerre - PREVOST TRQ2 - ALTO 2

référence: PRETRQ2
4.7 € TTC 3,92 € HT
Quantité
quantité indisponible (livraison sous 4 à 10 jours)

Fiche technique

Sans Fil
non
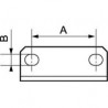
Angle
40 mm
Epaisseur
6,5 mm